Power Unit - Model 03
POWER UP, MANUAL DOWN
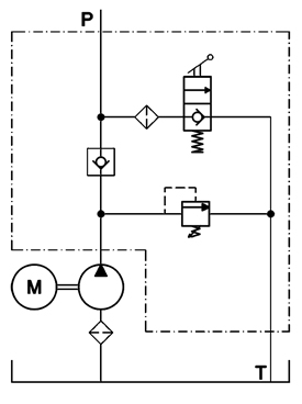
This power unit has a single acting circuit with two SAE#6 (9/16-18)
ports for straight or 90 deg. hose connection option. 2 positions/2
way manual valve with internal check. This circuit design also
utilize a cartdridge check and ajustable relief valve. The gear
pump is equipped with a suction acreen attach to a 90 deg. elbow
inside the tank which comes with a 3/4" pipe thread breather/dipstick.
Available Components
-
1
MOTOR
DC 12 & 24v, or AC 115/230V, single phase -
2
TANK
From 1.7 to 23.6 Lts [0.45 to 6.24 Usgal]
Plastic or Steel
-
3
MOUNTING
Vertical or Horizontal -
4
PUMP
0.8, 1.0, 1.3, 1.6, 2.1, 2.5, 3.2, 4.2, 5.8 and 8.0cc
Hydraulic Schematic
Exploded View
| ITEM | PART NUMBER | DESCRIPTION | QTY |
|---|---|---|---|
| 1 | 300060 | Motor Bolts | 2 |
| 2 | 600xxx* | Motor* | 1 |
| 3 | 300010 | Solenoid Bolt | 2 |
| 4 | 307000 | Solenoid Washer | 2 |
| 5 | 640xxx* | Solenoid* | 1 |
| 6 | 111000 | Relief Valve | 1 |
| 7 | 315000 | Block Plug | 1 |
| 8 | 210020 | Block | 1 |
| 9 | 115230 | Manual Valve | 1 |
| 10 | 110100 | Checkvalve | 1 |
| 11 | 330100 | Block O-Ring | 1 |
| 12 | 310020 | Block Elbow 90° | 1 |
| 13 | 310020 | Motor/Pump Coupler | 1 |
| 14 | 400xxx* | Pump* | 1 |
| 15 | 301xxx* | Pump Bolts* | 2 |
| 16 | 307080 | Lockwasher (Pump Bolts) | 2 |
| 17 | 150012 | Screen Filter Suction Elbow | 1 |
| 18 | 500xxx* | Tank* | 1 |
| 19 | 300030 | Tank Bolt | 4 |
| 20 | 307050 | Lockwasher (Tank Bolt) | 4 |
| 21 | 520030 | Breather | 1 |



