Home
Company
About Us
Certification & Membership
Media
News
Available Positions
Products
Specials
OEM Hydraulic Cylinders
Standard Hydraulic Cylinders
Power Units
NovaPeak
Components
Industries
Services
Distributors
Catalogs
Contacts
Stay Connected
English -
Français
1
CROSS OVER RELIEF VALVE
JCK
FYR
FYS
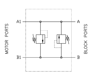
Cross Over Relief Valve FYR
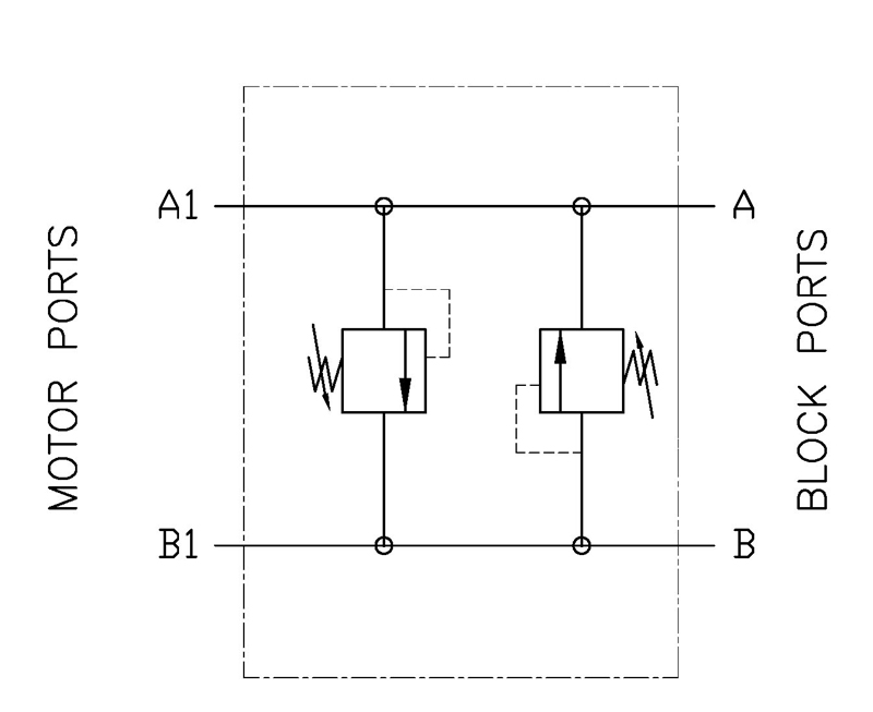
DUAL CROSS OVER RELIEF VALVE FOR EBMP MOTORS - Model: ERVP
Protection of motors against shaft blockage or overcharge by adjusting maximum pressure of operation.
Specifications
1
MAX. WORKING PRESSURE
435 to 1450 PSI
1160 to 3050 PSI
4
MAX. FLOW
16 GPM
Catalog
Please
consult
our catalog to get additional and detailed information about this product (PDF)